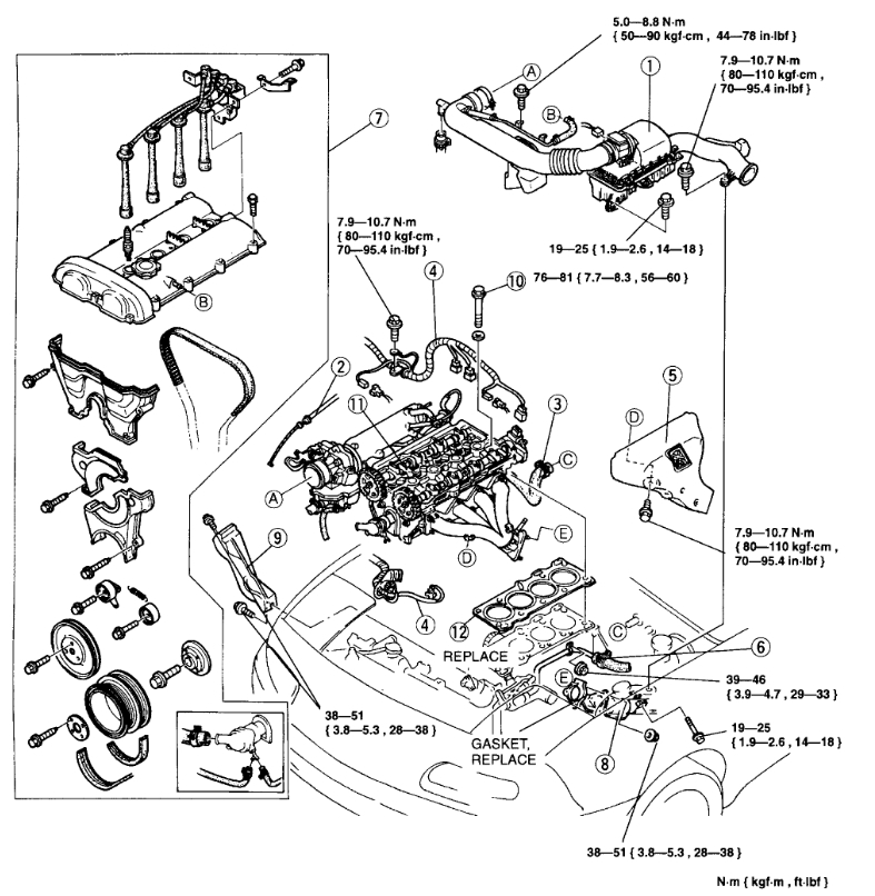
Head Gasket Replacement Steps . It will include step by step procedures with images that. Web in this video, i'll go over everything you need to know about replacing. Web this informative guide will outline fundamental steps and considerations involved in how to replace. Disconnect the battery by removing the negative side of the battery terminal, this will help avoid electrical problems while the job is. Obtain a service manual for your car's make and model. Web installing a head gasket involves removing the old gasket, cleaning surfaces, positioning the new gasket, torquing the cylinder head. Web learn how to replace a head gasket with our detailed guide.
from www.2carpros.com
Web installing a head gasket involves removing the old gasket, cleaning surfaces, positioning the new gasket, torquing the cylinder head. Obtain a service manual for your car's make and model. Disconnect the battery by removing the negative side of the battery terminal, this will help avoid electrical problems while the job is. Web in this video, i'll go over everything you need to know about replacing. Web learn how to replace a head gasket with our detailed guide. It will include step by step procedures with images that. Web this informative guide will outline fundamental steps and considerations involved in how to replace.
Head Gasket Replacement, Step by Step Instructions Needed?
Head Gasket Replacement Steps Web this informative guide will outline fundamental steps and considerations involved in how to replace. Web this informative guide will outline fundamental steps and considerations involved in how to replace. Obtain a service manual for your car's make and model. It will include step by step procedures with images that. Disconnect the battery by removing the negative side of the battery terminal, this will help avoid electrical problems while the job is. Web installing a head gasket involves removing the old gasket, cleaning surfaces, positioning the new gasket, torquing the cylinder head. Web in this video, i'll go over everything you need to know about replacing. Web learn how to replace a head gasket with our detailed guide.
From www.youtube.com
How to Replace a Head Gasket Part 6 YouTube Head Gasket Replacement Steps Disconnect the battery by removing the negative side of the battery terminal, this will help avoid electrical problems while the job is. Obtain a service manual for your car's make and model. Web this informative guide will outline fundamental steps and considerations involved in how to replace. It will include step by step procedures with images that. Web learn how. Head Gasket Replacement Steps.
From www.2carpros.com
Head Gasket Replacement I Need to Lean or Know How to Replace the... Head Gasket Replacement Steps Web installing a head gasket involves removing the old gasket, cleaning surfaces, positioning the new gasket, torquing the cylinder head. Web in this video, i'll go over everything you need to know about replacing. Web learn how to replace a head gasket with our detailed guide. It will include step by step procedures with images that. Disconnect the battery by. Head Gasket Replacement Steps.
From www.youtube.com
Replacement of the Cylinder Head Gasket Mercedes benz w210 Part 1 Head Gasket Replacement Steps Obtain a service manual for your car's make and model. Web this informative guide will outline fundamental steps and considerations involved in how to replace. Web installing a head gasket involves removing the old gasket, cleaning surfaces, positioning the new gasket, torquing the cylinder head. Web in this video, i'll go over everything you need to know about replacing. Web. Head Gasket Replacement Steps.
From www.youtube.com
How to replace Head Gaskets YouTube Head Gasket Replacement Steps Obtain a service manual for your car's make and model. Web this informative guide will outline fundamental steps and considerations involved in how to replace. Web learn how to replace a head gasket with our detailed guide. Disconnect the battery by removing the negative side of the battery terminal, this will help avoid electrical problems while the job is. Web. Head Gasket Replacement Steps.
From www.youtube.com
How to Head Gasket Replacement YouTube Head Gasket Replacement Steps Web this informative guide will outline fundamental steps and considerations involved in how to replace. Web in this video, i'll go over everything you need to know about replacing. Obtain a service manual for your car's make and model. Web learn how to replace a head gasket with our detailed guide. Web installing a head gasket involves removing the old. Head Gasket Replacement Steps.
From www.2carpros.com
Head Gasket Replacement Instructions Please? Cars Idle Changes, Head Gasket Replacement Steps It will include step by step procedures with images that. Web learn how to replace a head gasket with our detailed guide. Web in this video, i'll go over everything you need to know about replacing. Obtain a service manual for your car's make and model. Disconnect the battery by removing the negative side of the battery terminal, this will. Head Gasket Replacement Steps.
From www.youtube.com
How To Replace a Head Gasket on a Briggs and Stratton Engine. YouTube Head Gasket Replacement Steps Obtain a service manual for your car's make and model. Web installing a head gasket involves removing the old gasket, cleaning surfaces, positioning the new gasket, torquing the cylinder head. Disconnect the battery by removing the negative side of the battery terminal, this will help avoid electrical problems while the job is. It will include step by step procedures with. Head Gasket Replacement Steps.
From www.chivmen.com
The 4 Essential Steps Of Head Gasket Repair Head Gasket Replacement Steps Web in this video, i'll go over everything you need to know about replacing. Web this informative guide will outline fundamental steps and considerations involved in how to replace. Obtain a service manual for your car's make and model. Web installing a head gasket involves removing the old gasket, cleaning surfaces, positioning the new gasket, torquing the cylinder head. Disconnect. Head Gasket Replacement Steps.
From www.2carpros.com
Head Gasket Replacement Instructions Please? Cars Idle Changes, Head Gasket Replacement Steps Web learn how to replace a head gasket with our detailed guide. Obtain a service manual for your car's make and model. It will include step by step procedures with images that. Disconnect the battery by removing the negative side of the battery terminal, this will help avoid electrical problems while the job is. Web in this video, i'll go. Head Gasket Replacement Steps.
From www.youtube.com
How to Replace Head Gaskets on a 350 5.7L Small Block Chevy Engine Head Gasket Replacement Steps Disconnect the battery by removing the negative side of the battery terminal, this will help avoid electrical problems while the job is. Web in this video, i'll go over everything you need to know about replacing. It will include step by step procedures with images that. Web learn how to replace a head gasket with our detailed guide. Web installing. Head Gasket Replacement Steps.
From www.justanswer.com
Q&A Mazda 6 Head Gasket Replacement StepbyStep Guide Head Gasket Replacement Steps Obtain a service manual for your car's make and model. Web this informative guide will outline fundamental steps and considerations involved in how to replace. Web in this video, i'll go over everything you need to know about replacing. It will include step by step procedures with images that. Web installing a head gasket involves removing the old gasket, cleaning. Head Gasket Replacement Steps.
From www.2carpros.com
Head Gasket Replacement Instructions Please? Reassemble Head Head Gasket Replacement Steps Web installing a head gasket involves removing the old gasket, cleaning surfaces, positioning the new gasket, torquing the cylinder head. Web this informative guide will outline fundamental steps and considerations involved in how to replace. Web in this video, i'll go over everything you need to know about replacing. Obtain a service manual for your car's make and model. It. Head Gasket Replacement Steps.
From www.2carpros.com
Head Gasket Replacement, Step by Step Instructions Needed? Head Gasket Replacement Steps Web in this video, i'll go over everything you need to know about replacing. It will include step by step procedures with images that. Disconnect the battery by removing the negative side of the battery terminal, this will help avoid electrical problems while the job is. Obtain a service manual for your car's make and model. Web this informative guide. Head Gasket Replacement Steps.
From www.2carpros.com
Head Gasket Replacement Instructions so This Will Be My First Head Gasket Replacement Steps Web learn how to replace a head gasket with our detailed guide. Obtain a service manual for your car's make and model. It will include step by step procedures with images that. Web installing a head gasket involves removing the old gasket, cleaning surfaces, positioning the new gasket, torquing the cylinder head. Disconnect the battery by removing the negative side. Head Gasket Replacement Steps.
From www.2carpros.com
Head Gasket Replacement Instructions Needed Could You Please Send... Head Gasket Replacement Steps Web in this video, i'll go over everything you need to know about replacing. Obtain a service manual for your car's make and model. It will include step by step procedures with images that. Web installing a head gasket involves removing the old gasket, cleaning surfaces, positioning the new gasket, torquing the cylinder head. Web this informative guide will outline. Head Gasket Replacement Steps.
From www.youtube.com
How to Replace a BMW Head Gasket Step by Step E39 YouTube Head Gasket Replacement Steps Web learn how to replace a head gasket with our detailed guide. It will include step by step procedures with images that. Obtain a service manual for your car's make and model. Web this informative guide will outline fundamental steps and considerations involved in how to replace. Disconnect the battery by removing the negative side of the battery terminal, this. Head Gasket Replacement Steps.
From www.2carpros.com
Head Gasket Replacement Instructions so This Will Be My First Head Gasket Replacement Steps Web installing a head gasket involves removing the old gasket, cleaning surfaces, positioning the new gasket, torquing the cylinder head. It will include step by step procedures with images that. Web this informative guide will outline fundamental steps and considerations involved in how to replace. Web in this video, i'll go over everything you need to know about replacing. Disconnect. Head Gasket Replacement Steps.
From www.wikihow.com
How to Install a Head Gasket 11 Steps (with Pictures) wikiHow Head Gasket Replacement Steps Obtain a service manual for your car's make and model. Disconnect the battery by removing the negative side of the battery terminal, this will help avoid electrical problems while the job is. Web learn how to replace a head gasket with our detailed guide. Web installing a head gasket involves removing the old gasket, cleaning surfaces, positioning the new gasket,. Head Gasket Replacement Steps.